Однажды ко мне обратился друг с неисправностью: перегорели все светодиоды в правом габарите на его Nissan Qashqai. Ну, перегорели — мягко сказано, проблема в том, что плата была сильно залита и помимо перегоревших светодиодов меня встретили куча окислов и отгнившие дорожки. Новая плата стоит несколько тысяч, поэтому было принято решение восстанавливать эту.
Первым делом я демонтировал старые светодиоды и залудил контактные площадки.

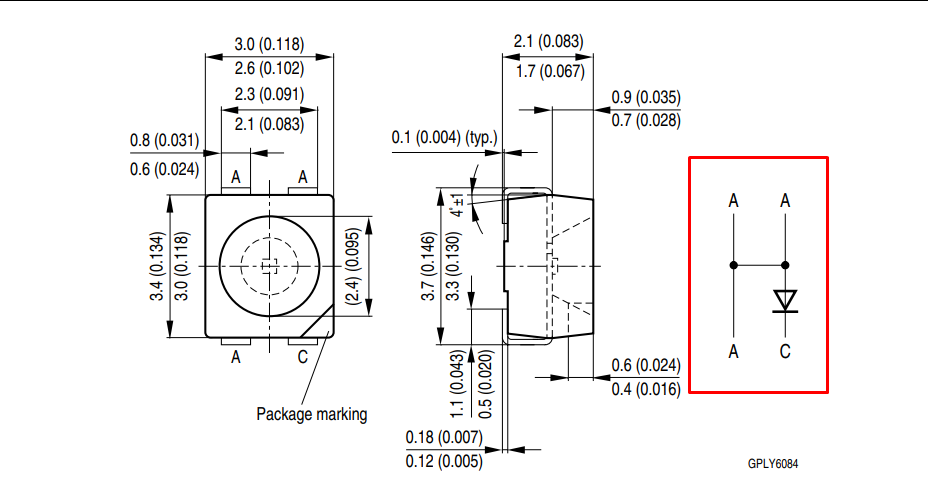
Как мы видим, не у всех светодиодов контактные площадки остались целыми. В данной плате устанавливаются светодиоды «LS E6SF-V2BA-1-1, Светодиод SMD 3.4x3x2.1мм, 120′, 4,65 Лм». Можно заказать в Чип и Дип или на Али, я брал в Чип и Дип. Согласно даташиту у одного светодиода четыре анода и один катод, а это значит, что проблем с восстановлением контактов не будет, так как аноды можно бросить до ближайшей уцелевшей шины.

Вот так я припаял эти светодиоды на свои места.

Светодиоды разделены на три группы, каждая из которых получает независимое питание. Проверяю качество монтажа при помощи мультиметра.
Пока чинил плату, обнаружил, что шлейф отгнил и стоит несколько раз согнуть провода, как они ломаются.

Подобрал другой разъем от компьютерного блока питания, заменив тем самым и неразъемное соединение на плате и сам шлейф.
Проверил собранную плату, подключив её к автомобилю — работает. На фото видно, что я дополнительно покрыл светодиоды изоляционным лаком.

Можно собирать фару. После сбора еще раз проверил работу габарита во всех режимах — работает как с завода.
Вам приходилось осуществлять подобный ремонт?


















