Википедия говорит нам, что метроном, это прибор, который отмечает равные промежутки времени короткими ударами. В основном этот прибор используют музыканты, при обучении музыке, но иногда он полезен и при проведении различных экспериментов.
Чтобы повторить на практике работу метронома, нам понадобится собрать несимметричный мультивибратор из простых радиокомпонентов. Основной принцип работы такого мультивибратора заключается в том, что в его создании участвуют транзисторы разной проводимости, при этом оба транзистора должны быть одновременно открыты или закрыты.
Что нужно, чтобы спаять метроном?
Для создания метронома нам понадобятся следующие детали:
- Резистор 680 Ом
- Резистор 147 кОм
- Транзистор МП36А (Подойдут МП35-МП38)
- Транзистор МП40 (Подойдут МП39-МП42)
- Конденсатор 22 мкФ
- Динамик 8 Ом
- Источник питания 9 В
- Кнопка или выключатель
Процесс сборки метронома своими руками
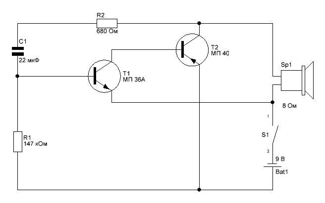
В первую очередь давайте рассмотрим принципиальную электрическую схему самодельного метронома.

На схеме я показал номиналы элементов, установленные мною, но вы можете подбирать элементы опытным путем, чтобы добиться нужной вам частоты и громкости ударов.
За громкость отвечает резистор R2 — его значение прямо пропорционально громкости. Не стоит устанавливать его более, чем 1 кОм, так как в таком случае колебания могут и не возникнуть. За тон и частоту ударов отвечают R1 и C1. Можете попробовать установить вместо R2 переменный резистор, а вместо C1 переменный конденсатор для более гибкой настройки схемы.
Вот что у меня получилось после сборки.

Послушать, как звучит собранная схема вы можете в видео ниже.
Напишите в комментарии, что вы думаете о данной схеме? Можно ли её как-то улучшить?








